Marimex.cz - bazény, trampolíny, infrasauny
Marimex.cz - bazény, trampolíny, infrasauny
Porovnat
0

Oblíbené produkty

0
  • Nemáte žádný oblíbený produkt

Košík 0
Ušetřete! Nakupte ještě za 2 990  Kč a máte dopravu ZDARMA.
Menu
Zkušení a proškolení prodejci
Zkušení a proškolení prodejci
i servis
Široká skladová zásoba
Široká skladová zásoba
a rychlá expedice

Tepelné čerpadlo Marimex Premium 8000 s příslušenstvím

Více variant
Tepelné čerpadlo Marimex Premium 8000 s příslušenstvím
Tepelné čerpadlo Marimex Premium 8000 s příslušenstvím
Tepelné čerpadlo Marimex Premium 8000 s příslušenstvím
Tepelné čerpadlo Marimex Premium 8000 s příslušenstvím
+10 dalších

❄️MRAZIVÉ CENY❄️

Sleva 10 % na tento produkt.

Použijte kód: 26MC10

Produkt není skladem.

Termín naskladnění neznáme a bohužel ho v současné době nemůžeme zjistit.
22 890 
Kód zboží: 19900132
  • Popis produktu
  • Parametry produktu
  • Nejčastější otázky
  • Návody
  • Dotazy k produktu
  • Články
  • Náhradní díly
  • Kompatibilní s

Popis produktu

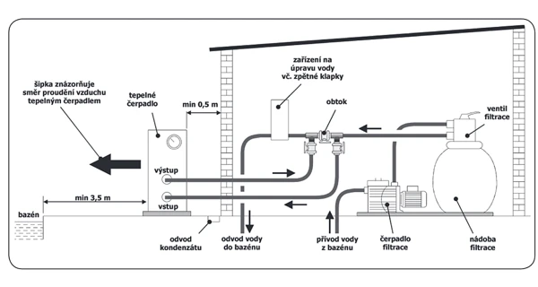
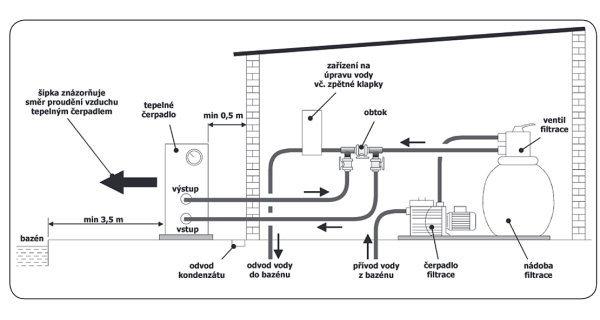
Tepelné čerpadlo Marimex Premium 8000 je vhodné pro ohřev vody v bazénech do 35 m3. Čerpadlo zajistí efektivní ohřev vody i bez slunečního záření. Výhodou je snadná obsluha a nenáročná údržba. Toto čerpadlo disponuje funkcí odmrazování a má LED displej.

Výhody tepelného čerpadla:

  • minimální náklady na provoz
  • nenáročné na prostor
  • využití obnovitelných zdrojů energie - šetrné vůči životnímu prostředí
  • snadná obsluha, nenáročná údržba
  • efektivní ohřev vody v bazénu i bez slunečního záření
  • funkce: odmrazování, LED displej

Složení setu

Technické parametry:

  • určeno pro bazény o objemu 35 m3
  • doporučený průtok: 3,5 m3/h, maximální průtok 7 m3/hod.
  • Pokud potřebujete připojit výkonnější filtraci, průtok můžete regulovat třícestným regulačním ventilem
  • připojení hadice: 50 mm
  • pro připojení hadice o průměru 32  nebo 38 mm je nutné dokoupit tento redukční trn (2x)
  • chladivo: R32
  • výkon: 8 kW*
  • COP: 5,37*
  • příkon: 1,49 kW*
  • BTU/h: 27,2
  • hlučnost: 53 dB
  • výměník: titan a PVC
  • kompresor: rotační
  • směr proudění vzduchu: horizontální
  • rozměry (DxHxV): 87 x 36 x 70 cm
  • * při vstupní teplotě vody 24°C, vzduchu 27°C (hodnoty topného výkonu a provozního příkonu se mohou lišit v závislosti na klimatických a provozních podmínkách)
Tepelné čerpalo nelze provozovat bez zapnuté filtrace. Nelze použít časovat na současné vypnutí /zapnutí provozu tepelného čerpadla a filtrace.

Limitní hodnoty pro provoz tepelného čerpadla:

  • hodnota pH: 6,8-7,9
  • volný chlor: 0,3-0,8 mg/l
  • celkový chlor: max. 3 mg/l
  • celková alkalita: 80-120 mg/l
  • sůl: max. 4 g/l

Výhody tepelných čerpadel


Prodloužení koupací sezóny

Tepelné čerpadlo efektivně prohřívá vodu v bazénu i bez slunečního záření. Koupací sezónu tak umožňuje zahájit již za prvních teplejších dnů a ukončit až v období říjnových mrazíků.

Návratnost investice

Výši pořizovací ceny čerpadla velmi snadno vyrovnají nízké náklady na samotný provoz. Elektřina je využita pouze k chodu zařízení, které pak získává energii z okolního prostředí.

Šetrnost k životnímu prostředí

Tepelné čerpadlo využívá obnovitelných zdrojů energie a je šetrné k životnímu prostředí. Při jeho provozu nevznikají žádné plynné odpadní látky, které by znečišťovaly ovzduší.

Parametry

Parametry tepelného čerpadla
Pro bazény do
35 m3
Max. průtok vody
7 m3/hod
Funkce čerpadla
Odmrazování; LED displej
Hlučnost
53 dB
Rozměry a hmotnost balení
Hmotnost
53,369 kg
Ostatní
Stav zboží
nové

Dotazy k produktu

použití čerpadla

Dobrý den, chtěla bych se zeptat, zda je možné připojit toto čerpadlo k pískové filtraci Prostar 4 popř. jaké by jste mi doporučili? děkuji

Dobrý den, ano toto čerpadlo je vhodné pro připojení k pískové filtraci Prostar 4.

Návody a dokumenty

Největší showroom bazénů a trampolín v ČR
Největší showroom bazénů a trampolín v ČR
Zkušení a proškolení prodejci i servis
Zkušení a proškolení prodejci i servis
99% sortimentu máme skladem
99% sortimentu máme skladem
Pohodlné a rychlé doručení
Pohodlné a rychlé doručení